打电话给我
国内:181 6981 7259
海外:137 9008 1902
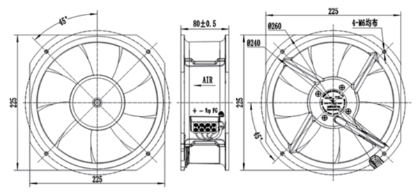
材料: 叶轮由带电动涂层的冷板制成,7个风扇叶片,框架由铝合金制成
轴承: 滚珠轴承
速度控制: 控制输入0 ~ 10v/PWM
工作温度: -25 ~ 55 °C
绝缘等级: B级
防护等级: IP44
认证: CCC,CE

性能:

工作点 | 静压 (Pa) | 气流 (m3/h) | 转速 (r/min) | 功率 (W) |
1 | 25 | 720 | 2600 | 50 |
2 | 50 | 640 | 2560 | 52 |
3 | 60 | 550 | 2490 | 55 |
4 | 65 | 420 | 2450 | 53 |
参数 :( 可定制)
风机型号 | 电机类型 | 电压 | 电源 | 电流 | 速度 | 气流 | 噪声 |
(五) | (W) | (A) | (r/min) | (米3/h) | Lp:dB(A) | ||
AG200B-D092A6 -- ** | DM092A6 | DC24V | 50 | 2,1 | 2650 | 800 | 68 |
AG200B-D092A8 -- ** | DM092A8 | DC48V | 50 | 1.02 | 2650 | 800 | 68 |
AG200B-D092A8 -- ** | DM092A0 | DC310/160V | 49 | 0.3 | 2650 | 800 | 68 |