打电话给我
国内:181 6981 7259
海外:137 9008 1902
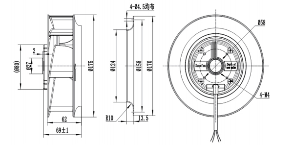
材质: PA66叶轮
轴承: 滚珠轴承
速度控制: 2速,带RD信号输出
工作温度: -25 ~ 60℃
绝缘等级: B级
防护等级: IP54
认证: CCC,CE

性能:

工作点 | 静压 (Pa) | 气流 (m3/h) | 转速 (r/min) | 功率 (W) |
1 | 150 | 600 | 3950 | 86 |
2 | 250 | 530 | 3990 | 90 |
3 | 150 | 500 | 3580 | 58 |
4 | 250 | 390 | 3590 | 60 |
参数 :( 可定制)
风机型号 | 电机类型 | 电压 | 电源 | 电流 | 速度 | 气流 | 噪声 |
(五) | (W) | (A) | (r/min) | (米3/h) | Lp:dB(A) | ||
BC175B-E072B3-** | EM072B | 230V/50Hz | 90 | 0.65 | 4000 | 680 | 72 |
60 | 0.45 | 3600 | 620 | 66 |