打电话给我
国内:181 6981 7259
海外:137 9008 1902
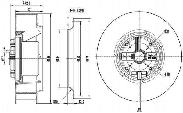
材质: PA66叶轮
轴承: 滚珠轴承
速度控制: 2速,带RD信号输出
工作温度: -25 ~ 60℃
绝缘等级: B级
防护等级: IP54
认证: CCC,CE

性能:

工作点 | 静压 (Pa) | 气流 (m3/h) | 转速 (r/min) | 功率 (W) |
1 | 150 | 560 | 3280 | 85 |
2 | 250 | 450 | 3260 | 90 |
3 | 150 | 460 | 3890 | 56 |
4 | 250 | 330 | 3860 | 60 |
风机型号 | 电机类型 | 电压 | 电源 | 电流 | 速度 | 气流 | 噪声 |
(五) | (W) | (A) | (r/min) | (米3/h) | Lp:dB(A) | ||
BC190A-E072B3-** | EM072B | 230V/50Hz | 90 | 0.65 | 3300 | 750 | 69 |
60 | 0.45 | 2900 | 640 | 64 |