打电话给我
国内:181 6981 7259
海外:137 9008 1902
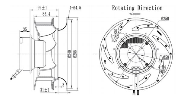
材质: PA66叶轮
轴承: 滚珠轴承
速度控制:
1: 输入0-10v或PWM
2: RS485
工作温度: -25 ~ 60℃
绝缘等级: B级
防护等级: IP54/IP6X(灌封)
认证: CCC,CE

性能:

工作点 | 静压 (Pa) | 气流 (m3/h) | 转速 (r/min) | 功率 (W) |
1 | 280 | 1125 | 2925 | 193 |
2 | 345 | 1030 | 2890 | 206 |
3 | 400 | 925 | 2880 | 215 |
4 | 450 | 805 | 2860 | 213 |
风机型号 | 电机类型 | 电压 | 电源 | 电流 | 速度 | 气流 | 噪声 |
(五) | (W) | (A) | (r/min) | (米3/h) | Lp:dB(A) | ||
BC250A-E092B3 ** | EM092B | 230V/50Hz | 300/180 | 1.7 | 3050 | 1680 | 77 |