打电话给我
国内:181 6981 7259
海外:137 9008 1902
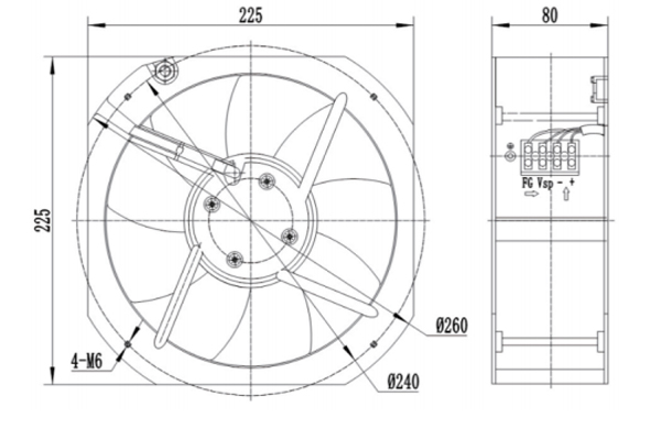
材料: 叶轮由带电动涂层的冷板制成,9个风扇叶片,框架由铝合金制成
轴承: 滚珠轴承
速度控制: 控制输入0 ~ 10v/PWM
工作温度: -25 ~ 55 °C
绝缘等级: B级
防护等级: IP44
认证: CCC,CE

性能:

工作点 | 静压 (Pa) | 气流 (m3/h) | 转速 (r/min) | 功率 (W) |
1 | 25 | 960 | 2890 | 65 |
2 | 50 | 900 | 2850 | 64 |
3 | 75 | 820 | 2800 | 65 |
4 | 85 | 700 | 2780 | 64 |
风机型号 | 电机类型 | 电压 | 电源 | 电流 | 速度 | 气流 | 噪声 |
(五) | (W) | (A) | (r/min) | (米3/h) | Lp:dB(A) | ||
AG200C-D092A6-** | DM092A6 | DC24V | 65 | 2,5 | 2950 | 980 | 68 |
AG200C-D092A8-** | DM092A8 | DC48V | 65 | 1.3 | 2950 | 980 | 68 |
AG200C-D092A0-** | DM092A0 | DC310/160V | 65 | 0.3 | 2950 | 980 | 68 |