打电话给我
国内:181 6981 7259
海外:137 9008 1902
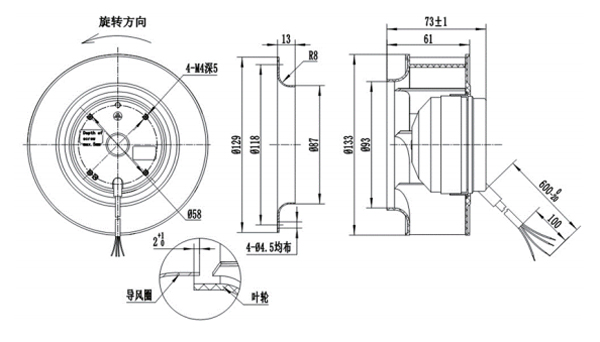
材质: PA66叶轮
轴承: 滚珠轴承
速度控制: 换档抽头 (多速产品)
工作温度: -25 ~ 55℃
绝缘等级: F
防护等级: IP44
认证: CCC,CE

性能:

工作点 | 静压 (Pa) | 气流 (m3/h) | 转速 (r/min) | 功率 (W) |
1 | 40 | 200 | 2550 | 28 |
2 | 72 | 174 | 2650 | 28 |
3 | 95 | 148 | 2640 | 28 |
4 | 110 | 125 | 2635 | 28 |
5 | 125 | 100 | 2625 | 28 |
风机型号 | 电机类型 | 电压 | 电源 | 电流 | 速度 | 气流 | 噪声 |
(五) | (W) | (A) | (r/min) | (米3/h) | Lp:dB(A) | ||
BC133A-A072A2-** | AM072A | AC230/50Hz | 28 | 0.13 | 2550 | 220 | 55 |