打电话给我
国内:181 6981 7259
海外:137 9008 1902
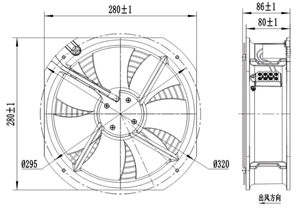
材料: 叶轮由带电动涂层的冷板制成,7个风扇叶片,框架由铝合金制成
轴承: 滚珠轴承
速度控制: 换档抽头 (多速产品)
工作温度: -25 ~ 55 °C
绝缘等级: F
防护等级: IP44
认证: CCC,CE

性能:

工作点 | 静压 (Pa) | 气流 (m3/h) | 转速 (r/min) | 功率 (W) |
1 | 20 | 1780 | 2500 | 128 |
2 | 40 | 1700 | 2480 | 130 |
3 | 60 | 1580 | 2450 | 131 |
4 | 70 | 1500 | 2400 | 130 |
风机型号 | 电机类型 | 电压 | 电源 | 电流 | 速度 | 气流 | 噪声 |
(五) | (W) | (A) | (r/min) | (米3/h) | Lp:dB(A) | ||
AG250B-A092C2-00 | AM092C2 | AC230/50Hz | 128 | 0.56 | 2550 | 1850 | 66 |