打电话给我
国内:181 6981 7259
海外:137 9008 1902
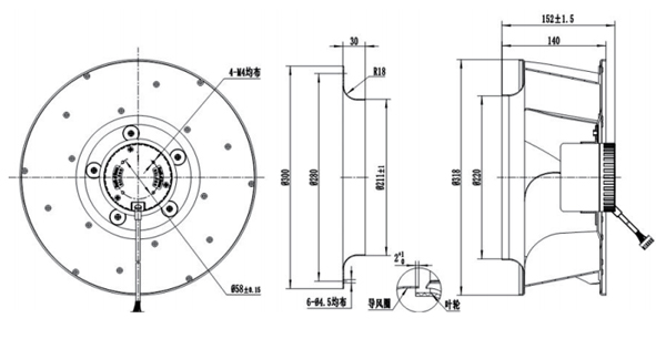
材质: 铝合金叶轮
轴承: 滚珠轴承
速度控制: 控制输入0-5/10v或PWM
工作温度: -25 ~ 60℃
绝缘等级: B级
防护等级: IP44
认证: CCC,CE

性能:

工作点 | 静压 (Pa) | 气流 (m3/h) | 转速 (r/min) | 功率 (W) |
1 | 120 | 1850 | 1650 | 176 |
2 | 160 | 1580 | 1550 | 170 |
3 | 200 | 1320 | 1490 | 165 |
4 | 250 | 1080 | 1500 | 165 |
风机型号 | 电机类型 | 电压 | 电源 | 电流 | 速度 | 气流 | 噪声 |
(五) | (W) | (A) | (r/min) | (米3/h) | Lp:dB(A) | ||
BC310A-D092B8-** | DM092B | DC48 | 152 | 4.3 | 1650 | 2150 | 65 |
BC310A-D092B0-** | DC310 | 192 | 1.21 | 1850 | 2450 | 71 |