打电话给我
国内:181 6981 7259
海外:137 9008 1902
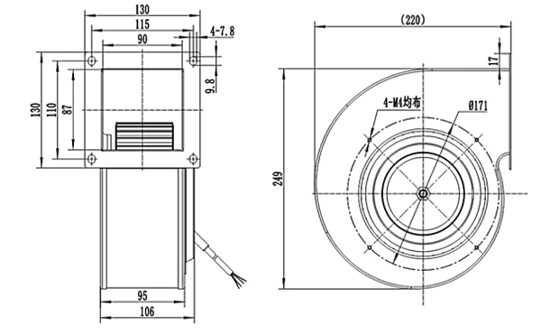
材料: PP制成的叶轮,冷轧钢板制成的蜗壳
轴承: 滚珠轴承
速度控制: 控制输入0-5/10v或PWM
工作温度: -25 ~ 60℃
绝缘等级: B级
防护等级: IP44
群控通信:Rs485

性能:

工作点 | 静压 (Pa) | 气流 (m3/h) | 转速 (r/min) | 功率 (W) |
1 | 150 | 350 | 1680 | 59 |
2 | 250 | 280 | 1790 | 60 |
3 | 120 | 550 | 2050 | 122 |
4 | 240 | 490 | 2280 | 125 |
参数 :( 可定制)
风机型号 | 电机类型 | 电压 | 电源 | 电流 | 速度 | 气流 | 噪声 |
(V) | (W) | (A) | (r/min) | (m3/h) | Lp:dB(A) | ||
DG160A-D072A6-** | DM072A | DC24 | 60 | 2.5 | 1450 | 430 | 55 |
DG160A-D092A8-** | DM092A | DC48 | 120 | 2.95 | 1900 | 600 | 62 |
DG160A-D092A0-** | DC310 | 120 | 0.87 | 1900 | 600 | 62 | |
| DG160A-E072A3-** | EM072A | AC230 | 90 | 0.65 | 1650 | 520 | 57 |
| DG160A-E092A3-** | EM092A | AC230 | 165 | 0.9 | 2100 | 685 | 68 |