打电话给我
国内:181 6981 7259
海外:137 9008 1902
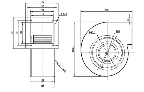
材料: 由镀锌板制成的叶轮,由冷轧钢板制成的蜗壳
轴承: 滚珠轴承
速度控制: 控制输入0-5/10v或PWM
工作温度: -25 ~ 60℃
绝缘等级: B级
防护等级: IP44

性能:

工作点 | 静压 (Pa) | 气流 (m3/h) | 转速 (r/min) | 功率 (W) |
1 | 180 | 720 | 1500 | 145 |
2 | 320 | 630 | 1750 | 150 |
3 | 420 | 560 | 1950 | 152 |
风机型号 | 电机类型 | 电压 | 电源 | 电流 | 速度 | 气流 | 噪声 |
(V) | (W) | (A) | (r/min) | (m3/h) | Lp:dB(A) | ||
DG180B-D092A8-** | DM092 | DC48V | 145 | 3.5 | 1200 | 820 | 63 |
DG180B-D092A0-** | DC310 | 150 | 0.85 | 1200 | 820 | 63 | |
| DG180B-E092B3-** | EM092B | AC230 | 300 | 1.5 | 2050 | 1150 | 72 |